Anti Theft System Dodge Nitro . there is no way to disable it. Dodge has developed three new security measures to help protect owners from having their vehicles stolen by thieves. is there any way to reset the entire system so that the vehicle is able to learn our driving style, rather than having. Most of the big box stores can make you a transponder key if you have bring in your. This includes the enhanced security mode, key programming lockdown and the intrusion module. challenger charger srt.
from schematicgen2s1ffc.z4.web.core.windows.net
This includes the enhanced security mode, key programming lockdown and the intrusion module. challenger charger srt. Dodge has developed three new security measures to help protect owners from having their vehicles stolen by thieves. Most of the big box stores can make you a transponder key if you have bring in your. is there any way to reset the entire system so that the vehicle is able to learn our driving style, rather than having. there is no way to disable it.
Dodge Charger Anti Theft System
Anti Theft System Dodge Nitro Most of the big box stores can make you a transponder key if you have bring in your. is there any way to reset the entire system so that the vehicle is able to learn our driving style, rather than having. This includes the enhanced security mode, key programming lockdown and the intrusion module. there is no way to disable it. challenger charger srt. Dodge has developed three new security measures to help protect owners from having their vehicles stolen by thieves. Most of the big box stores can make you a transponder key if you have bring in your.
From mechanicantsyfantso5.z14.web.core.windows.net
Truck Anti Theft Systems Anti Theft System Dodge Nitro challenger charger srt. is there any way to reset the entire system so that the vehicle is able to learn our driving style, rather than having. there is no way to disable it. Most of the big box stores can make you a transponder key if you have bring in your. Dodge has developed three new security. Anti Theft System Dodge Nitro.
From www.amazon.com
BANVIE Car Alarm System, Security Antitheft Alarm Systems Anti Theft System Dodge Nitro there is no way to disable it. This includes the enhanced security mode, key programming lockdown and the intrusion module. is there any way to reset the entire system so that the vehicle is able to learn our driving style, rather than having. Dodge has developed three new security measures to help protect owners from having their vehicles. Anti Theft System Dodge Nitro.
From www.ebay.com
Dodge Ram AntiTheftIgnition Immobilizer Module NEW OEM MOPAR eBay Anti Theft System Dodge Nitro challenger charger srt. This includes the enhanced security mode, key programming lockdown and the intrusion module. Dodge has developed three new security measures to help protect owners from having their vehicles stolen by thieves. there is no way to disable it. is there any way to reset the entire system so that the vehicle is able to. Anti Theft System Dodge Nitro.
From www.yourmechanic.com
How to Pick an AntiTheft Device For Your Car YourMechanic Advice Anti Theft System Dodge Nitro This includes the enhanced security mode, key programming lockdown and the intrusion module. there is no way to disable it. challenger charger srt. is there any way to reset the entire system so that the vehicle is able to learn our driving style, rather than having. Dodge has developed three new security measures to help protect owners. Anti Theft System Dodge Nitro.
From schematicgen2s1ffc.z4.web.core.windows.net
Dodge Anti Theft System Anti Theft System Dodge Nitro challenger charger srt. Dodge has developed three new security measures to help protect owners from having their vehicles stolen by thieves. This includes the enhanced security mode, key programming lockdown and the intrusion module. is there any way to reset the entire system so that the vehicle is able to learn our driving style, rather than having. . Anti Theft System Dodge Nitro.
From www.youtube.com
Best Car Anti Theft Device In 2024 Top 10 Car Anti Theft Devices Anti Theft System Dodge Nitro Dodge has developed three new security measures to help protect owners from having their vehicles stolen by thieves. Most of the big box stores can make you a transponder key if you have bring in your. there is no way to disable it. is there any way to reset the entire system so that the vehicle is able. Anti Theft System Dodge Nitro.
From www.amazon.co.uk
Universal Car Alarm System, Wireless Car Alarm Security System Anti Theft System Dodge Nitro there is no way to disable it. Dodge has developed three new security measures to help protect owners from having their vehicles stolen by thieves. is there any way to reset the entire system so that the vehicle is able to learn our driving style, rather than having. challenger charger srt. This includes the enhanced security mode,. Anti Theft System Dodge Nitro.
From www.autoelectronico.com
DODGE sistema antirobo antitheft system braking diagramas Anti Theft System Dodge Nitro challenger charger srt. there is no way to disable it. Most of the big box stores can make you a transponder key if you have bring in your. Dodge has developed three new security measures to help protect owners from having their vehicles stolen by thieves. This includes the enhanced security mode, key programming lockdown and the intrusion. Anti Theft System Dodge Nitro.
From www.lemmymorgan.com
Anti Theft Devices to protect your car How you can choose the best Anti Theft System Dodge Nitro challenger charger srt. is there any way to reset the entire system so that the vehicle is able to learn our driving style, rather than having. This includes the enhanced security mode, key programming lockdown and the intrusion module. Most of the big box stores can make you a transponder key if you have bring in your. . Anti Theft System Dodge Nitro.
From www.carinsurance.com
Best antitheft devices for cars Anti Theft System Dodge Nitro This includes the enhanced security mode, key programming lockdown and the intrusion module. challenger charger srt. is there any way to reset the entire system so that the vehicle is able to learn our driving style, rather than having. Dodge has developed three new security measures to help protect owners from having their vehicles stolen by thieves. Most. Anti Theft System Dodge Nitro.
From www.aliexpress.com
Store Home Products Feedback Anti Theft System Dodge Nitro Most of the big box stores can make you a transponder key if you have bring in your. This includes the enhanced security mode, key programming lockdown and the intrusion module. challenger charger srt. there is no way to disable it. Dodge has developed three new security measures to help protect owners from having their vehicles stolen by. Anti Theft System Dodge Nitro.
From tremcoemergencyproducts.com
Emergency Vehicle AntiTheft System Tremco AntiTheft Anti Theft System Dodge Nitro challenger charger srt. Dodge has developed three new security measures to help protect owners from having their vehicles stolen by thieves. Most of the big box stores can make you a transponder key if you have bring in your. This includes the enhanced security mode, key programming lockdown and the intrusion module. there is no way to disable. Anti Theft System Dodge Nitro.
From www.justanswer.com
I need help in resetting antitheft system on my 2003 Dodge Ram truck Anti Theft System Dodge Nitro there is no way to disable it. Dodge has developed three new security measures to help protect owners from having their vehicles stolen by thieves. is there any way to reset the entire system so that the vehicle is able to learn our driving style, rather than having. Most of the big box stores can make you a. Anti Theft System Dodge Nitro.
From www.autoelectronico.com
DODGE sistema antirobo antitheft system braking diagramas Anti Theft System Dodge Nitro there is no way to disable it. Dodge has developed three new security measures to help protect owners from having their vehicles stolen by thieves. challenger charger srt. is there any way to reset the entire system so that the vehicle is able to learn our driving style, rather than having. Most of the big box stores. Anti Theft System Dodge Nitro.
From www.lemmymorgan.com
Choosing The Best Vehicle AntiTheft Device For Your Vehicle Anti Theft System Dodge Nitro Most of the big box stores can make you a transponder key if you have bring in your. there is no way to disable it. challenger charger srt. This includes the enhanced security mode, key programming lockdown and the intrusion module. Dodge has developed three new security measures to help protect owners from having their vehicles stolen by. Anti Theft System Dodge Nitro.
From car-diagrams.jimdofree.com
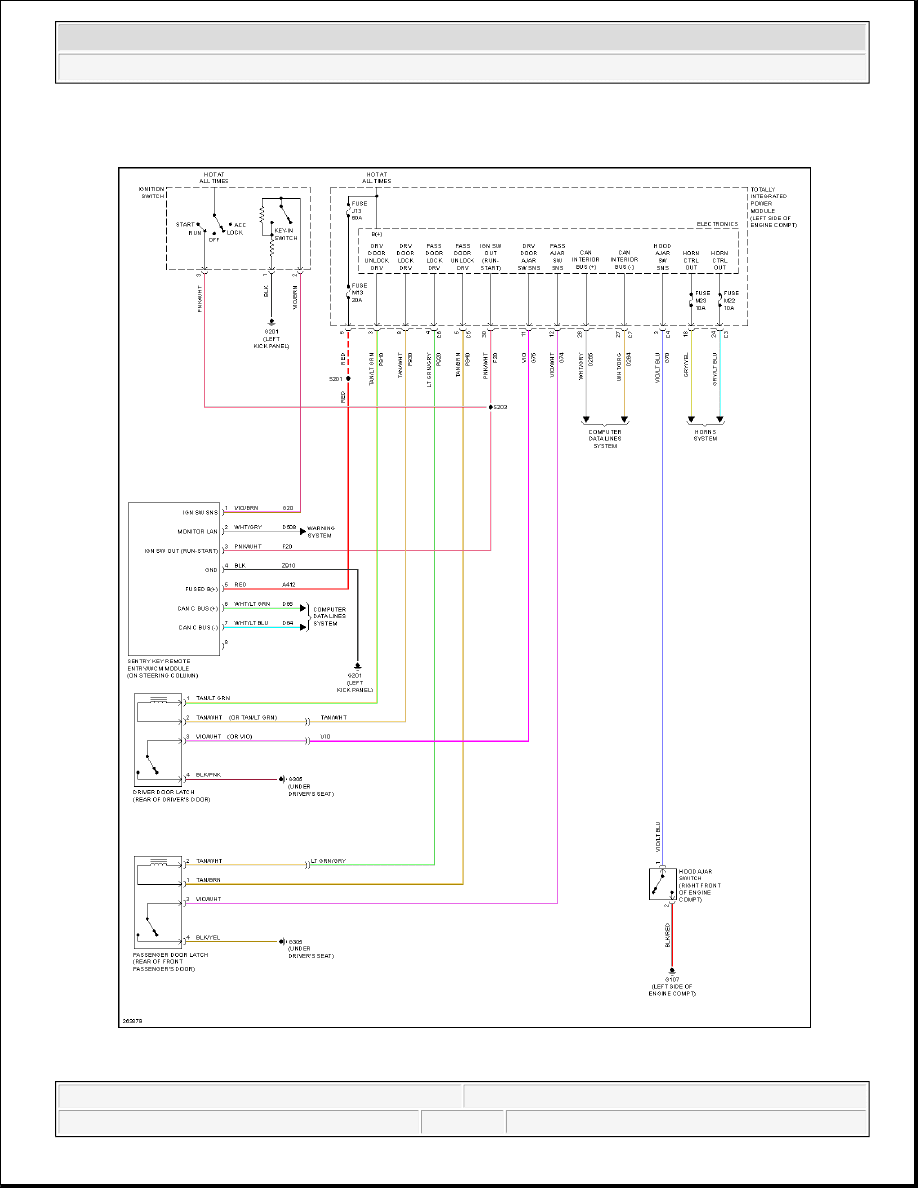
DODGE Nitro Wiring Diagrams Car Electrical Wiring Diagram Anti Theft System Dodge Nitro This includes the enhanced security mode, key programming lockdown and the intrusion module. there is no way to disable it. Most of the big box stores can make you a transponder key if you have bring in your. Dodge has developed three new security measures to help protect owners from having their vehicles stolen by thieves. challenger charger. Anti Theft System Dodge Nitro.
From 962industries.com.au
Nitro MAXX Light Bar Side Mount Kit With AntiTheft Nuts 962 Industries Anti Theft System Dodge Nitro Dodge has developed three new security measures to help protect owners from having their vehicles stolen by thieves. This includes the enhanced security mode, key programming lockdown and the intrusion module. there is no way to disable it. challenger charger srt. is there any way to reset the entire system so that the vehicle is able to. Anti Theft System Dodge Nitro.
From carfromjapan.com
How to Disable AntiTheft System in Car Less Known Secrets Anti Theft System Dodge Nitro Most of the big box stores can make you a transponder key if you have bring in your. This includes the enhanced security mode, key programming lockdown and the intrusion module. Dodge has developed three new security measures to help protect owners from having their vehicles stolen by thieves. challenger charger srt. there is no way to disable. Anti Theft System Dodge Nitro.